Type
Turboexpander-Based NGL Recovery
Process
Gas processing
Insight Articles
#TT175

Description

Turboexpander-based cryogenic NGL recovery is the dominant licensed technology for separating ethane, propane, butane, and heavier hydrocarbons from pipeline-quality natural gas. The first plant using a turboexpander for NGL recovery was built in the mid-1960s in the United States, and the technology evolved rapidly through the 1970s and 1980s as markets shifted emphasis from LPG to ethane recovery.


Origin and Development

The foundational breakthrough came when Ortloff Engineers Ltd. (Midland, Texas) developed and patented the Gas Subcooled Process (GSP), first published in the Oil & Gas Journal in May 1982. Since the early 1980s, the GSP became the preferred process configuration for high-ethane-recovery NGL plants globally and earned the designation "industry workhorse". Ortloff was subsequently acquired by Honeywell UOP, which now markets the full Ortloff process portfolio. In parallel, Lummus Technology (through its legacy company Randall Gas Technologies, with over 50 years of history) has licensed more than 300 gas processing projects worldwide and over 200 turboexpander plants as of early 2019.


Technology Summary and Chemistry

The process exploits the Joule-Thomson effect and isentropic expansion: when high-pressure feed gas expands across a turboexpander, its temperature drops dramatically (cryogenic range, typically to −80°C to −120°C), causing heavier hydrocarbons (C2+) to condense and separate from methane. No chemical reactions occur — the separation is entirely physical/thermodynamic, driven by differences in volatility (relative volatility of methane vs. ethane and heavier components at cryogenic temperatures). The recovered shaft work from expansion is directly coupled to a recompressor, partially recovering energy from the pressure drop.


Detailed Process Description

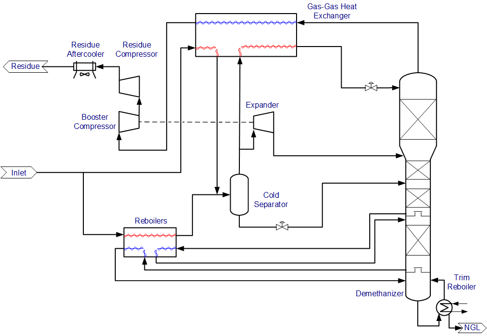
A typical turboexpander NGL recovery unit proceeds through these steps:

  1. Feed gas pretreatment — Inlet gas is dehydrated (molecular sieves) and mercury-removed upstream; CO2 content must typically be below 0.5 mol% in standard GSP to avoid freeze-up in the cold box
  2. Feed gas cooling — The dry gas enters a brazed aluminium heat exchanger (cold box/BAHX), where it is pre-cooled against cold residue gas and demethanizer overhead
  3. Feed splitting (GSP-specific) — A portion of the cooled feed is further condensed, subcooled, and flashed directly to the top of the demethanizer as a cold liquid reflux stream; the remainder passes to the turboexpander
  4. Turboexpander — The main feed stream expands isentropically through the turboexpander, dropping to cryogenic temperatures and partially condensing; the shaft drives an integrally coupled booster compressor (recompressor)
  5. Demethanizer (fractionation column) — The expanded two-phase stream feeds the demethanizer, where methane is stripped overhead and the C2+ liquid NGL is recovered as bottoms; the subcooled liquid top-feed from step 3 provides the critical reflux that drives high ethane recovery
  6. Residue gas recompression — The cold methane-rich overhead is warmed in the cold box (recovering refrigeration), then compressed in the booster compressor (driven by the turboexpander) and a supplemental residue compressor back to pipeline pressure
  7. NGL product — The demethanizer bottoms (ethane, propane, butane, C5+) are sent to downstream NGL fractionation (deethanizer, depropanizer, debutanizer) for individual product recovery

Process Configurations and Efficiency

Multiple licensed variants have evolved from the base GSP design, each targeting specific recovery goals:

Process Licensor Key Feature Ethane Recovery
GSP (Gas
Subcooled Process)
Honeywell UOP Ortloff™ Split feed with subcooled liquid reflux; industry baseline ~80–85% C2
RSV (Recycle
Split Vapor)
Honeywell UOP Ortloff™ Overhead vapor recycle; ultra-high recovery in both ethane recovery and rejection modes >95% C2
SCORE (Single Column Overhead Recycle) Honeywell UOP Ortloff™ Optimised for ultra-high propane recovery in ethane rejection mode >99% C3
OHR (Overhead Recycle) Various / open art variants Improved over GSP in ethane rejection mode ~90% C2
NGL-MAX Lummus Technology Dual recycle with enhanced reflux; >98% C2 recovery; named Best Gas Processing Technology 2017 by Hydrocarbon Processing >98% C2
CRYOMAX®
family
Technip Energies Originated from Fish Engineering's 1960s turboexpander work; covers dew-point to high-yield ethane/propane recovery Varies by variant
SRP / SRC 
(Supplemental Rectification)
Honeywell UOP Ortloff™ Flexible recovery solutions adding rectification or compression stages >95% C2

The GLSP (Gas-Liquid Subcooled Process) variant achieves ~80% average ethane recovery across wide feed composition ranges and delivers the highest average C2 recovery where feed composition is variable.


Key Performance Parameters

  • Ethane recovery: 80–99%+ depending on configuration
  • Propane recovery: typically >99% in propane-recovery mode across all configurations
  • Operating temperature: −80°C to −120°C at the expander outlet
  • Pressure ratio across expander: typically 2:1 to 4:1
  • Energy recovery: turboexpander shaft work drives the booster compressor, recovering 70–80% of compression energy that would otherwise be lost
  • CO2 limitation: standard GSP limited to ~0.5 mol% CO2 to avoid dry ice formation in the cold section; advanced variants (RSV, NGL-MAX) can handle higher CO2 with modified column pressures

Technology Licensors

Licensor Process Portfolio Notes
Honeywell UOP (Ortloff™) GSP, RSV, SCORE, OHR, SRP, SRC Ortloff Engineers Ltd. acquired by UOP; broadest portfolio; global standard
Lummus Technology NGL-MAX, NGL Fractionation Legacy from Randall Gas Technologies (50+ years); 300+ licensed plants; 200+ turboexpander plants 
Technip Energies CRYOMAX® family Originated from Fish Engineering (1960s); strong in LNG-integrated NGL recovery
Shell (via licensor agreements) Deep LPG process Focused on LPG/propane-rich applications

References

  1. Honeywell UOP — UOP Ortloff™ Natural Gas Liquids Recovery: Optimal Recovery for Maximized Returns, Product Brochure UOP8424, April 2019. UOP LLC, Des Plaines, IL, USA
  2. McDermott Technology — Yamin F. et al., Advances in NGL Recovery Technology: Achieving Ultra-High Ethane Recovery and Deep Ethane Rejection Capability, GPA-GCC 27th Annual Technical Conference, Kuwait, March 12–14, 2019
  3. Technip Energies — Gas Monetization: CRYOMAX® NGL Recovery Technology, corporate technology overview (Accessed Mar 24, 2026)
  4. Wood Group Mustang — Smith L., Processing Rich Gas for NGL Recovery, GPA Canada Conference Presentation (Document date: October 28, 2015)
  5. Oil & Gas Journal — Simulation Study Determines Optimum Turboexpander Process, Oil & Gas Journal, March 5, 2006
  6. Oil & Gas Journal — Enhanced NGL Recovery Process Selected for Neptune Gas Plant Expansion, Oil & Gas Journal, July 20, 2003
  7. LinkedIn — Rodon J.R., Maximizing NGL Recovery: Understanding the Turbo-Expander Cryogenic Process, January 29, 2025
  8. LinkedIn — Barthe L., NGL Recovery: Evolution and Next Generation Processes, Jan 22, 2016
  9. United States Patent — US5799507A, Hydrocarbon Gas Processing, filed October 25, 1996. (Elk Corp)
  10. Butane-Propane News — Lummus Technology Selected for Innovative Gas Processing Plant with High Efficiency & Low Carbon Design, January 28, 2022
  11. Hengzhong Clean Energy Equipment — PTT and CCC-JV Select NGL-MAX for Innovative Gas Processing Plant with High Efficiency and Low Carbon Design, December 26, 2022
  12. Petrotech — Turboexpanders in NGL Recovery, March 28, 2025 

Insight Articles
Your insights will be shown here

No entries
Title Date
  Image
Gas Subcooled Process (GSP) flow diagram | Source: McDermott Technology (March 2019), from description ref. nr. 2
Technology Owner Entity
Generic GSP NGL Recovery Technology Entity
Content provided by
Transaction Name Date
Modified by UserPic   Kokel, Nicolas 3/26/2026 9:46 AM
Added 3/24/2026 5:54 PM